Breaking news and analysis on politics, business, world national news, entertainment and more.
Download Arduino Mega 2560 Schematic Eagle Background
25/06/2020 00:00
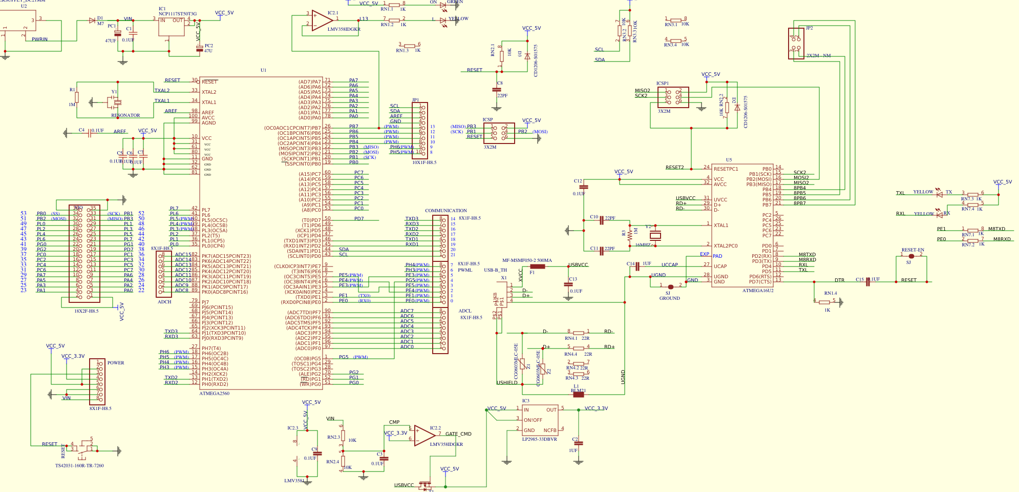
Download Arduino Mega 2560 Schematic Eagle Background. First of all, why arduino mega 2560? Arduino disclaims all other warranties, express or implied, regarding products, including but not limited to, any implied warranties of merchantability or fitness for a particular purpose arduino.
EtherMega (100% Arduino Mega 2560 compatible with onboard ... from cdn.shopify.com
Arduino disclaims all other warranties, express or implied, regarding products, including but not limited to, any implied warranties of merchantability or fitness for a particular purpose arduino. Contribute to jimmisitepu88/mega2560_robotdyn development by creating an account on github. It has 70 digital input/output pins (of which 15 can be used as pwm outputs and 16 can be used as analog inputs), a 16 mhz resonator, a usb connection.
It has 70 digital input/output pins (of which 15 can be used as pwm outputs and 16 can be used as analog inputs), a 16 mhz resonator, a usb connection.
This is a project which is reproduced from arduino.cc arduino mega 2560. The arduino mega 2560 r3, the successor to the arduino mega, is a microcontroller board based on a atmega2560 avr microcontroller. When cheaper boards are available, why go with arduino mega? The customer must not rely on the absence or characteristics of any features or.